调试器

DEBUGGER 扩展用于轻松探测扩展引脚插座的每个输出,同时也能方便地将 JTAG 调试器连接到 ECU。

JTAG 调试器

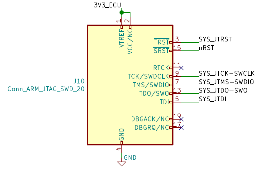
调试器扩展上配备了一个标准的 20 针 JTAG 连接器。这使得用户能够连接诸如 ST-LINK V2 之类的调试器,从而轻松地为 ECU 开发和调试新的固件。

JTAG 电路原理图

引脚排列

DEBUGGER 扩展接口的引脚排列